
Yamaha_CL_Feeder_Part_List.pdf
Related Brands:雅马哈/YAMAHA
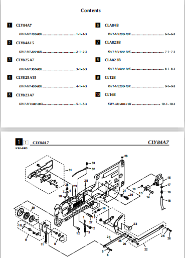
Related Equipment:YAMAHA铝合金供应装置FEEDER(TAPE/REEL,TRAY,VIBRATION)CLY 84 A7YAMAHA铝合金供应装置FEEDER(TAPE/REEL,TRAY,VIBRATION)CLY 84 A15YAMAHA电热水壶供应装置FEEDER(TAPE/REEL,TRAY,VIBRATION)CLY 825 A7YAMAHA铝合金供应装置FEEDER(TAPE/REEL,TRAY,VIBRATION)CLY 825 A15YAMAHA电热水壶供应装置FEEDER(TAPE/REEL,TRAY,VIBRATION)CLY 823 A7YAMAHA电热水壶供应装置FEEDER(TAPE/REEL,TRAY,VIBRATION)CLA 84 B雅马哈雅马哈供料装置进纸器(磁带/卷盘、托盘、振动)825B型YAMAHA电热水壶供应装置FEEDER(TAPE/REEL,TRAY,VIBRATION)CLA 823 BYAMAHA铝合金供应装置FEEDER(TAPE/REEL,TRAY,VIBRATION)CL 12 BYAMAHA铝合金供应装置FEEDER(TAPE/REEL,TRAY,VIBRATION)CL 16 B
Views:79
配件清单
Description:No Description

