社区
快查
商城
企业
标讯
设备展厅
登录 | 注册
通用设置
首页
快查
文档详情
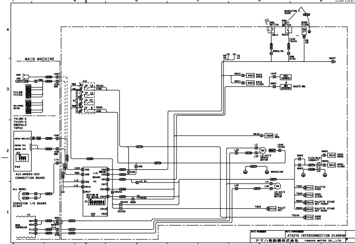
ATS27_KJ8_E.pdf
关联品牌:
雅马哈/YAMAHA
关联设备:
浏览:32
电路图
描述:暂无描述
在线预览
积分下载
收藏文档
相关机型文档
ENI-ACG-3-101-Schematics.pdf
Utah-94-721002-System-Manual.pdf
Process Check-Oxford PlasmaPro 100 ICP.pdf
Oxford-100-Manual.pdf
Oxford-100-ICP-2-Step-DRIE-SOP-in-PDF-Format.pdf
Oxford-100-Cryo-DRIE-SOP-in-PDF-Format.pdf
Oxford_DEEP_RIE_SOP.pdf